產品介紹
海藍機電專業銷售三菱原裝PLC,三菱原裝PLC模塊,價格優惠,大量現貨!AJ65SBTC1-32D1三菱cc-link模塊|三菱PLC原裝現貨A系列模塊|三菱A系列模塊全系列|價格|廠家|圖片|技術指導,服務熱線:400-8819-130、0755-88356415。
AJ65SBTC1-32D1三菱cc-link模塊,屬于直接安裝連接器型輸入模塊,32點正負公共端共用(漏型/源型)輸入,0.2ms輸入響應。
公司主營三菱PLC、三菱cc-link模塊,AJ65SBTC1-32D1價格好,AJ65SBTC1-32D1大量現貨,AJ65SBTC1-32D1批發銷售。
三菱cc-link模塊AJ65SBTC1-32D1產品詳細介紹:
三菱cc-link模塊AJ65SBTC1-32D1輸入規格:
【輸入形式】:正負公共端共用型(漏型/源型)
【輸入點數】:32點
【絕緣方式】:光耦合器絕緣
【額定輸入電壓】:DC24V
【額定輸入電流】:約5mA
【使用電壓范圍】:DC19.2~26.4V(波動率5%以內)
【最大同時輸入點數】:100%
【ON電壓/ON電流】:15V以上/3mA以上
【OFF電壓/OFF電流】:3V以下/0.5mA以下
【輸入電阻】:約4.7kΩ
【響應時間】:0.2ms以下(DC24V時)
【公共端方式】:32點1公共端(直接安裝連接器型1線式)
【占用站數】:1站分配32點(使用32點)
【I/O模塊電源】:
電壓:DC20.4~26.4V(波動率5%以內)
電流:45mA以下(DC24V,全部點ON時)
【噪聲強度】:通過DC型的噪聲電壓500VP-P,噪聲寬度1μs,噪聲頻率25~60Hz的噪聲模擬器所產生的噪聲
【耐電壓】:DC外部端子匯總-接地之間AC500V 1分鐘期間
【絕緣電阻】:DC外部端子匯總-接地之間DC500V絕緣電阻計測量l0Ω以上
【重量】:0.16kg
三菱cc-link模塊AJ65SBTC1-32D1外部連接方式:
【通信部分、I/O模塊電源部分】:7點2段式端子排[傳送回路、I/O模塊電源、FG]M3*5.2
【扭緊力矩】:59~88N·cm
【適用壓裝端子的插入個數】:2個以內
【輸入輸出電源部分、輸入輸出部分】:2點直接安裝端子排[輸入輸出電源、I/O信號〕M3*5.2
【扭緊力矩】:59~88N·cm
【適用壓裝端子的插入個數】:2個以內
【模塊安裝螺栓】:帶平墊圈磨圓M4螺栓(扭緊力矩范圍79~108N·cm)可以通過DIN軌安裝,可以6方向安裝
【適用DIN軌】:TH35-7.5Fe、TH35-7.5A1(基于JIS C 2812標準)
【適用壓裝端子】
RAV1.25-3(基于JIS C 2805標準)[適用電線尺寸:0.3~1.25mm2]
V2-MS3(日本壓裝端子制造(株))、RAP2-3SL(日本端子(株))、TGV2-3N((株)NICHIFU)[適電纜尺寸:1.25~2.0mm2]
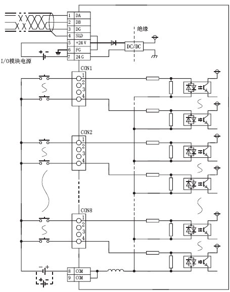
三菱cc-link模塊AJ65SBTC1-32D1外部連接圖:

三菱cc-link模塊AJ65SBTC1-32D1價格:(面價)
我們的優勢:
【A】:10多年專注三菱原裝工控領域,專業代理原裝三菱plc、三菱變頻器、三菱伺服電機、三菱觸摸屏、三菱減速機、三菱機器人等原裝進口自動化產品,備有各類現貨庫存高達2000多種,100%原裝正品,假一罰十!
【B】:完善的售后服務體系,常規型號24小時內迅速發貨,物流部門本著"安全、高效、快捷”的服務理念,可滿足客戶的各類物流需求。
1、廣東省內客戶可滿足上午發貨,下午送達,下午發貨,第二天早上送達。
2、省外客戶可提供即日達、隔日達、普通快遞、物流等服務,滿足客服多樣化的需求,為您提供快捷速遞服務的同時,為您節約物流成本。
3、國外客戶可提供國際海運集裝箱拼箱運輸服務,可提供貼嘜頭、固定卡板、打木架等個性化服務。
【C】:所有產品咨詢、報價、貨期三分鐘內及時響應,公司客服及銷售人員經過嚴格的產品知識培訓,能為您提供產品選型、產品報價、產品介紹等專業的售前技術咨詢,還可提供編程軟件免費下載、編程入門、視頻教學、 技術培訓等,為您解決后顧之憂,提供一站式的優質服務。
【D】:雄厚的技術實力, 擁有專業、高效的技術團隊,所有技術人員均已通過三菱專業技術工程師的考核,可幫助客戶進行PLC程序設計、觸摸屏程序設計、伺服系統編程與調試,工程總包等,并根據您的現場需要提供技術上門支持, 省內客戶接到技術請求后3小時即可上門,為您的企業自動化插上展翅飛翔的翅膀。
【E】:專業的維修工程師團隊,365天免費保修,修復時間快、48小時內為您排憂解難,提供詳盡的維修解決方案,為您提供高效的售后維修服務。




